EMT1010A:32通道,电流输入,电流/电压转换器
EMT1010AEMT1010A 是第二代32 通道的专为X 射线检测系统设计的电流电压(C/V)转换器,它结合了优化的电路设计,有两种增益可供选择。EMT1010A 使用了先进的模拟电路制造工艺,可用于X 射线光电二极管的信号处理。EMT1010A 提供串行工作时序,32 通道的值可以逐个转换并输出。EMT1010A 可以选择正反顺序工作模式,可调积分时间范围为2ms 至20ms,可以出色的测量
EMT1010AEMT1010A 是第二代32 通道的专为X 射线检测系统设计的电流电压(C/V)转换器,它结合了优化的电路设计,有两种增益可供选择。EMT1010A 使用了先进的模拟电路制造工艺,可用于X 射线光电二极管的信号处理。EMT1010A 提供串行工作时序,32 通道的值可以逐个转换并输出。EMT1010A 可以选择正反顺序工作模式,可调积分时间范围为2ms 至20ms,可以出色的测量
EMT1010A
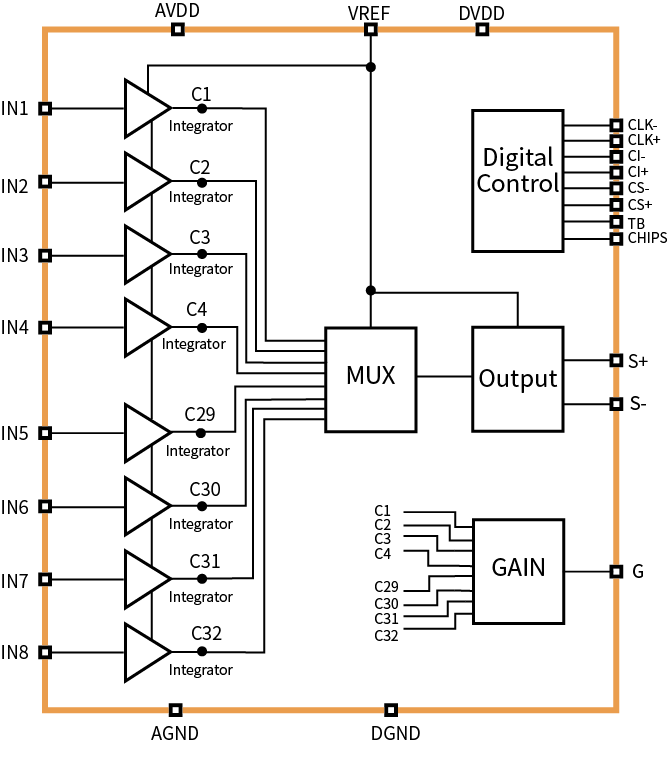
EMT1010A 是第二代32 通道的专为X 射线检测系统设计的电流电压(C/V)转换器,它结合了优化的电路设计,有两种增益可供选择。EMT1010A 使用了先进的模拟电路制造工艺,可用于X 射线光电二极管的信号处理。
EMT1010A 提供串行工作时序,32 通道的值可以逐个转换并输出。EMT1010A 可以选择正反顺序工作模式,可调积分时间范围为2ms 至20ms,可以出色的测量10pA 至4000pA 的电流。低电平线性误差小于0.5%,噪声小于150μV。
EMT1010A 具有一个串行接口,专为多器件系统中的菊花链式串行接口设计。只需将一个设备的输出连接到下一个设备的输入即可创建链接。共用时钟可以为多EMT1010A 系统降低开销。
EMT1010A 采用 + 5V 电源供电,工作温度范围为 0° C 至 + 55° C。
| AVDD至AGND | -0.3V~6.0V |
| DVDD至DGND | -0.3V~6.0V |
| AGND至DGND | ±0.2V |
| VREF输入至AGND | 2.0V~AVDD+0.3V |
| 模拟输入至AGND | -0.3V~0.7V |
| 数字输入电压至DGND | -0.3V~DVDD+0.3V |
| 数字输出电压至DGND | -0.3V~AVDD+0.3V |
| 工作温度范围 | 0℃~+55℃ |
32个通道
积分线性误差:≤0.5%
极低噪声:≤90μV
低功耗:5mW/通道
积分时间:2ms~20ms
检测输入电流
满量程范围可调
可选正反顺序工作模式
菊花链式串行接口

典型应用:X射线检测、安检机、CT扫描、PCB生产检测线等等